製品紹介PRODUCT
ダイカストマシン
射出成形機
押出プレス
竪型ミル
AFC
| 型式 | 単位 | 2500MMX | ||||
|---|---|---|---|---|---|---|
| 340 | 470 | 740 | ||||
| 射 出 |
スクリュ径 | mm | 135 | 150 | 175 | |
| 理論射出容量 | cm3 | 9,660 | 13,200 | 21,000 | ||
| 射出質量 | ポリスチレン(PS) | g | 8,890 | 12,100 | 19,300 | |
| ポリエチレン(PE) | 7,150 | 9,770 | 15,500 | |||
| 射出圧力 | MPa (kgf/cm2) |
177 (1,800) |
161 (1,640) |
|||
| 射出速度 | mm/sec | 88 | 76 | 66 | ||
| 射出率 | cm3/sec | 1,260 | 1,350 | 1,595 | ||
| 可塑化能力(PS) | kg/hr | 700 | 750 | 805 | ||
| スクリュ回転速度 | rpm | 112 | 110 | 87 | ||
| 型 締 |
型締力 | kN (tf) |
24,516 (2,500) |
|||
| 型開力 | 2,059 (210) |
|||||
| 型閉速度(高速) | m/min | 45 | ||||
| 型開速度(高速) | ||||||
| 型盤寸法(H×V) | mm | 2,550×2,300 | ||||
| タイバー間隔(H×V) | 2,000×1,650 | |||||
| 型締ストローク | 2,800 | |||||
| デイライト | 3,600 | |||||
| 金型厚さ | 800~1,700 | |||||
| エジェクタ | 押出力 | kN (tf) |
490(50) | |||
| ストローク | mm | 400 | ||||
| 一 般 |
ポンプ用電動機 | kW | 177 | 200 | 223 | |
| ヒータ容量(380V/50Hz) | 67.5 | 84.8 | 111.7 | |||
| 作動油容量[タンク内] | L | 2,600 [2,000] |
3,200 [2,500] |
3,900 [3,100] |
||
| 機械寸法 | L | m | 13.9 | 15.0 | TBD | |
| W | 4.3 | |||||
| H | 3.4 | |||||
| 機械質量 | ton | 118 | 124 | TBD | ||
注)1.本表の数値は予告なしに改良変更することがあります。
2.本表の数値は60Hz、50Hz共通です。(ヒータ電気容量除く)
3.射出重量、射出率、可塑化能力は、使用樹脂、成形条件により異なります。
4.TBD : 未定

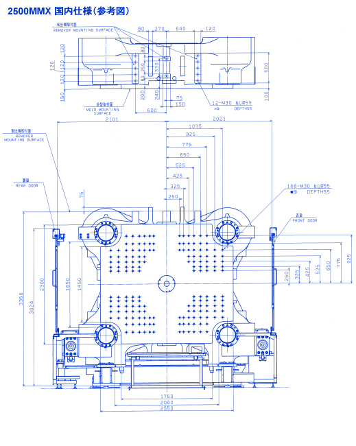
注)金型取付寸法図は予告なしに改良変更することがあります。
お問合せ電話番号
宇部兴产机械(上海)有限公司
中国上海市浦东外高桥保税区富特北路91号
Copyright?2015 Ubekousan inc.,japan All Rights Reserved 沪ICP备05026110号-1