製品紹介PRODUCT
ダイカストマシン
射出成形機
押出プレス
竪型ミル
AFC
| 型式 | 単位 | 1300MMX | ||||
|---|---|---|---|---|---|---|
| 160 | 240 | 340 | ||||
| 射 出 |
スクリュ径 | mm | 105 | 120 | 135 | |
| 理論射出容量 | cm3 | 4,540 | 6,780 | 9,660 | ||
| 射出質量 | ポリスチレン(PS) | g | 4,180 | 6,240 | 8,890 | |
| ポリエチレン(PE) | 3,360 | 5,020 | 7,150 | |||
| 射出圧力 | MPa (kgf/cm2) |
177 (1,800) |
||||
| 射出速度 | mm/sec | 106 | 97 | 88 | ||
| 射出率 | cm3/sec | 920 | 1,095 | 1,260 | ||
| 可塑化能力(PS) | kg/hr | 580 | 655 | 700 | ||
| スクリュ回転速度 | rpm | 139 | 112 | 112 | ||
| 型 締 |
型締力 | kN (tf) |
12,748 (1,300) |
|||
| 型開力 | 980 (100) |
|||||
| 型閉速度(高速) | m/min | 45 | ||||
| 型開速度(高速) | ||||||
| 型盤寸法(H×V) | mm | 2,000×2,000 | ||||
| タイバー間隔(H×V) | 1,450×1,400 | |||||
| 型締ストローク | 2,150 | |||||
| デイライト | 2,800 | |||||
| 金型厚さ | 650~1,300 | |||||
| エジェクタ | 押出力 | kN (tf) |
294(30) | |||
| ストローク | mm | 300 | ||||
| 一 般 |
ポンプ用電動機 | kW | 123 | 146 | 169 | |
| ヒータ容量(380V/50Hz) | 50.7 | 53.5 | 67.5 | |||
| 作動油容量[タンク内] | L | 2,200 [1,700] |
2,500 [2,000] |
|||
| 機械寸法 | L | m | 11.3 | 12.0 | 12.2 | |
| W | 3.5 | |||||
| H | 3.2 | |||||
| 機械質量 | ton | 63 | 65 | 68 | ||
注)1.本表の数値は予告なしに改良変更することがあります。
2.本表の数値は60Hz、50Hz共通です。(ヒータ電気容量除く)
3.射出重量、射出率、可塑化能力は、使用樹脂、成形条件により異なります。

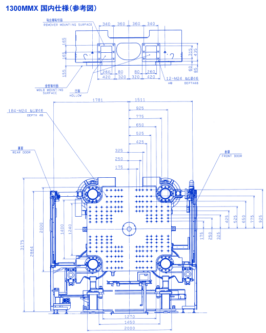
注)金型取付寸法図は予告なしに改良変更することがあります。
お問合せ電話番号
宇部兴产机械(上海)有限公司
中国上海市浦东外高桥保税区富特北路91号
Copyright?2015 Ubekousan inc.,japan All Rights Reserved 沪ICP备05026110号-1