产品介绍PRODUCT
压铸机
注塑机
挤压机
立磨
AFC
| 型号 | 単位 | 1300MMX | ||||
|---|---|---|---|---|---|---|
| 160 | 240 | 340 | ||||
| 注 射 |
螺杆 | mm | 105 | 120 | 135 | |
| 理论注射容量 | cm3 | 4,540 | 6,780 | 9,660 | ||
| 注射质量 | 聚苯乙烯(PS) | g | 4,180 | 6,240 | 8,890 | |
| 聚乙烯(PE) | 3,360 | 5,020 | 7,150 | |||
| 射出圧力 | MPa (kgf/cm2) |
177 (1,800) |
||||
| 注射速度 | mm/sec | 106 | 97 | 88 | ||
| 注射率 | cm3/sec | 920 | 1,095 | 1,260 | ||
| 塑化能力(PS) | kg/hr | 580 | 655 | 700 | ||
| 螺杆回转速度 | rpm | 139 | 112 | 112 | ||
| 合 模 |
合模力 | kN (tf) |
12,748 (1,300) |
|||
| 开模力 | 980 (100) |
|||||
| 合模速度(高速) | m/min | 45 | ||||
| 开模速度(高速) | ||||||
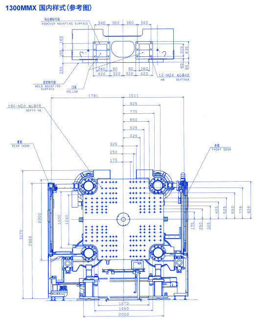
| 模具尺寸(H×V) | mm | 2,000×2,000 | ||||
| 拉杆间隙(H×V) | 1,450×1,400 | |||||
| 合模行程 | 2,150 | |||||
| 最大间距 | 2,800 | |||||
| 模具厚度 | 650~1,300 | |||||
| 顶出器 | 顶出力 | kN (tf) |
294(30) | |||
| 行程 | mm | 300 | ||||
| 一 般 |
油泵用电机 | kW | 123 | 146 | 169 | |
| 加热器容量(380V/50Hz) | 50.7 | 53.5 | 67.5 | |||
| 作动油容量(油箱内) | L | 2,200 [1,700] |
2,500 [2,000] |
|||
| 机械尺寸 | L | m | 11.3 | 12.0 | 12.2 | |
| W | 3.5 | |||||
| H | 3.2 | |||||
| 机械质量 | ton | 63 | 65 | 68 | ||
注)
1.本表的数値如遇变更,恕不另行通知。
2.本表的数値为60Hz,50Hz共通。(加热器的电气容量除外)
3.注射重量,注射率,可塑化能力会由于使用的树脂,成形条件的不同而发生变化。如需使用最大能力的话,还请和敝公司商谈。

咨询电话号码
宇部兴产机械(上海)有限公司
中国上海市浦东外高桥保税区富特北路91号
Copyright?2015 Ubekousan inc.,japan All Rights Reserved 沪ICP备05026110号-1